Staffa di Fissaggio Regolabile Fotovoltaico Coppi Tegole
La gamma di staffe fisse è in grado di realizzare le differenti casistiche di montaggio con qualsiasi tipologia di tegola presente sulla copertura.
Per maggiori dettagli sui prodotti, scarica i seguenti documenti:
- Scheda Tecnica [Scarica]
Assistenza clienti
Quali sono le caratteristiche principali della staffa di fissaggio regolabile per impianti fotovoltaici su coppi e tegole?
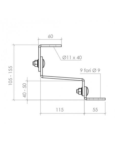
La staffa di fissaggio regolabile per impianti fotovoltaici su coppi e tegole è realizzata in alluminio estruso di alta qualità, resistente alla corrosione e agli agenti atmosferici. Si tratta di un componente fondamentale per l'installazione di un impianto fotovoltaico su una copertura in coppi o tegole, in quanto permette di fissare in modo sicuro e regolabile i pannelli solari al tetto.
Quanti pannelli fotovoltaici può supportare una singola staffa di fissaggio regolabile?
La capacità di carico della staffa di fissaggio regolabile dipende dalle specifiche del modello scelto e dalle caratteristiche dei pannelli solari installati. In generale, le staffe di fissaggio regolabili sono progettate per supportare uno o più pannelli fotovoltaici, a seconda della dimensione e del peso dei singoli moduli.
Come si installa la staffa di fissaggio regolabile per impianti fotovoltaici su coppi e tegole?
L'installazione della staffa di fissaggio regolabile per impianti fotovoltaici su coppi e tegole richiede alcune attrezzature specifiche e una buona dose di conoscenza tecnica. In generale, la staffa viene fissata alla struttura portante del tetto mediante bulloni e viti di fissaggio, e successivamente viene ancorata al pannello solare mediante appositi morsetti o clip.
È possibile regolare l'inclinazione dei pannelli solari installati con la staffa di fissaggio regolabile?
Sì, la staffa di fissaggio regolabile consente di regolare l'inclinazione dei pannelli solari installati, in modo da ottimizzare la loro esposizione al sole e massimizzare la produzione di energia. La regolazione dell'inclinazione può essere effettuata mediante un sistema di rotazione integrato nella staffa stessa.
La staffa di fissaggio regolabile è adatta a qualsiasi tipo di copertura in coppi o tegole?
La staffa di fissaggio regolabile è progettata per essere compatibile con la maggior parte dei tipi di copertura in coppi o tegole presenti sul mercato. Tuttavia, prima di procedere all'acquisto e all'installazione, è importante verificare che la staffa sia adatta alla tipologia di copertura presente sul tetto.
Qual è la garanzia offerta sulla staffa di fissaggio regolabile per impianti fotovoltaici su coppi e tegole?
La garanzia sulla staffa di fissaggio regolabile per impianti fotovoltaici su coppi e tegole dipende dal produttore e dal modello specifico scelto. In generale, le staffe di fissaggio regolabili sono coperte da una garanzia di almeno 10 anni per difetti di fabbricazione e di materiali.
È possibile acquistare la staffa di fissaggio regolabile per impianti fotovoltaici su coppi e tegole anche in kit completi?
Sì, è possibile acquistare la staffa di fissaggio regolabile per impianti fotovoltaici su coppi e tegole in kit completi, che includono tutti i componenti necessari per l'installazione, come ad esempio i bulloni di fissaggio, i morsetti per i pannelli solari e le istruzioni per l'installazione.
La staffa di fissaggio regolabile è resistente alla corrosione?
Sì, la staffa di fissaggio regolabile è realizzata in alluminio estruso di alta qualità, che garantisce una buona resistenza alla corrosione e agli agenti atmosferici. Inoltre, alcune staffe di fissaggio regolabili sono dotate di un trattamento superficiale protettivo che aumenta la loro resistenza agli agenti esterni.
Qual è la durata media della staffa di fissaggio regolabile per impianti fotovoltaici su coppi e tegole?
La durata media della staffa di fissaggio regolabile dipende dalle condizioni ambientali in cui viene installata e dall'uso che se ne fa. In generale, le staffe di fissaggio regolabili sono progettate per durare almeno 25-30 anni, grazie alla loro robustezza e alla resistenza agli agenti atmosferici.
La staffa di fissaggio regolabile per impianti fotovoltaici su coppi e tegole è facile da smontare?
Sì, la staffa di fissaggio regolabile per impianti fotovoltaici su coppi e tegole è progettata per essere facilmente smontabile, ad esempio per effettuare operazioni di manutenzione sul tetto. Tuttavia, è importante seguire le istruzioni del produttore per evitare di danneggiare la staffa o il pannello solare durante la rimozione.
Potrebbe anche piacerti

